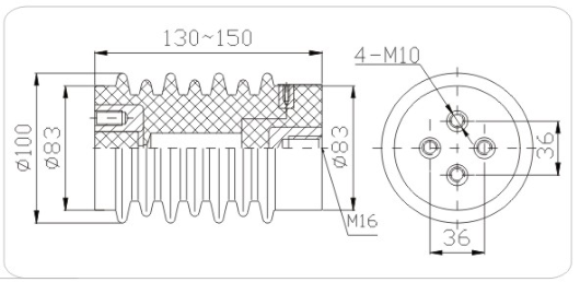
产品名称:传感器

产品型号:CG105-3.6/7.2/12

额外电压:3.6~12kV

产品设计图:

3-3.jpg


产品咨询