您好,欢迎来到杭州好博电器有限公司官网!
全国服务热线:0571-57872536
CN
EN
Language
CN
EN
首页
产品中心
户内高压带电显示器系列
3.6-12kV绝缘件系列
更多产品+
生产品控
生产设备
检测设备
制造车间
技术支持
技术支持
常见问题
新闻中心
新品发布
行业新闻
媒体报道
公司简介
走进好博
发展历程
公司愿景
组织机构
合作伙伴
社会责任
资质认证
公司荣誉
联系我们
联系方式
给我留言
Language
首页
产品中心
户内高压带电显示器系列
户外高压带电显示器
3.6-12kV绝缘件系列
3.6-12kV传感器系列
3.6-12kV绝缘子系列
12KV套管系列
12KVCT套管系列
12KV触头盒系列
12KV绝缘筒系列
12KV固封极柱系列
17.5KV绝缘件系列
17.5kv触头盒
24kV绝缘件系列
24KV传感器、绝缘子系列
24KV套管系列
24KV触头盒系列
24KV绝缘筒系列
24KV绝缘筒附件系列
40.5kV绝缘件系列
40.5KV传感器系列
40.5KV绝缘子系列
40.5KV屏蔽套管系列
40.5KV屏蔽触头盒系列
40.5KV弯板系列
40.5KV绝缘筒系列
40.5KV绝缘筒附件系列
C-GIS充气柜用绝缘件系列
尼龙绝缘拉杆系列
风电用绝缘件系列
12kV固体绝缘环网柜绝缘件
架空线路防护装置系列
其它绝缘件系列
生产品控
生产设备
检测设备
制造车间
技术支持
技术支持
常见问题
新闻中心
新品发布
行业新闻
媒体报道
公司简介
走进好博
发展历程
公司愿景
组织机构
合作伙伴
社会责任
资质认证
公司荣誉
联系我们
联系方式
给我留言
当前位置:
首页
>
产品中心
>
3.6-12kV绝缘件系列
>
12kV固封极柱系列
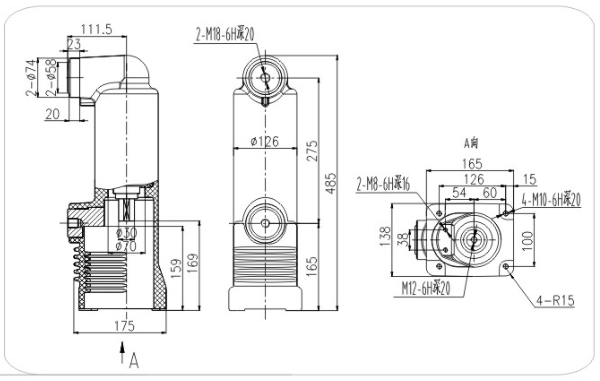
产品名称:固封极柱
产品型号:GFZ02-12
额定电流:1250A-31.5kA
产品设计图:
产品咨询